Системы вентиляции и отопления
- Отопление -
- Вентиляция -
- Автоматика
Логический контроллер ZENTEC M202 Цена: 25000 р.
Программируемый логический контроллер ZENTEC M202 для конфигурации распределённых и локальных систем управления средней сложности, для широкого круга задач.
Цена : 25000 р.
Код товара : 3880
Заказать
Описание оборудования
Логический контроллер ZENTEC M202 для широкого круга задач не имеет предаврительно установленного программного обеспечения.Компанией ZENTEC разработана среда визуального программирования zWorkBench,при помощи которой задаётся необходимый алгоритм работы контроллера
Контроллер ZENTEC M202 - внешний вид и управление

Программируемый логический контроллер ZENTEC M202 изготовлен в корпусе 4DIN и предназначен для установки на рельс 35 миллиметров.Конструктивно представляет конструкцию из трёх плат:
- Унифицированная плата индикации и ввода PC-02
- Плата процессора М204-01
- Плата реле и питания GNA-02
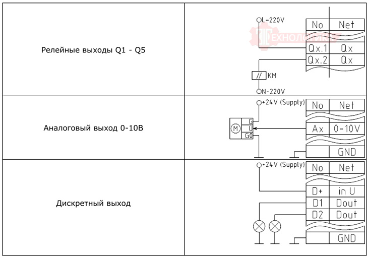
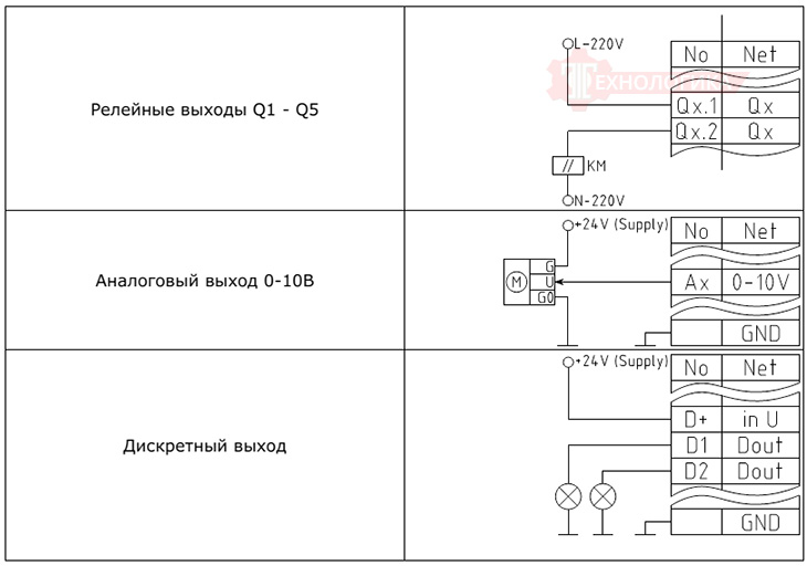
Контроллер ZENTEC M202 - схемы подключения выходов

Контроллер ZENTEC M202 - схемы подключения входов

Для реализации сетевых функций,контроллер необходимо коммутировать с другими контроллерами по интерфейсу RS-485. Используемый протокол — Modbus RTU. Топология сети — стандартная для сетей RS-485, линейная без ответвлений
Технические характеристики
- Напряжение - 220VAC изолированный преобразователь с защитой
- Релейный выход - 5 реле с независимыми группами. 2А 220В
- Устройство индикации - монохромный ЖКИ 192*64 точки с подсветкой
- Интерфейс связи - SPI
- Процессор - объем памяти программ 360448 Байт/объем RAM 16384 Байт
- ПЗУ - 8 кБайт EEPROM
- Часы реального времени - резервное питание от батареи 2032
- Звуковая сигнализация - биппер
- Габариты, мм - 106*72*60
- Вес, гр - 140
Нужна консультация? Закажите БЕСПЛАТНЫЙ ОБРАТНЫЙ ЗВОНОК!
Каталог
-
Вентиляция КОРФ
- Клапаны КОРФ
- Вентиляторы КОРФ
- Воздухонагреватели КОРФ
- Воздухоохладители КОРФ
- Блоки управления КОРФ
- Рекуператоры КОРФ
- Датчики и термостаты КОРФ
- Приводы КОРФ
- Смесительные узлы KORF
- Всё для монтажа
- Фильтры и фильтрующие вставки КОРФ
- Регулирующие заслонки КОРФ
- Установки секционные теплоизолированные КОРФ
- Шумоглушители КОРФ
- Пульты управления КОРФ
- Вентиляция NED
-
Холодильное оборудование
- Опции и масла
-
Холодильное оборудование POLAIR
- Среднетемпературные сплит-системы Polair
- Низкотемпературные сплит-системы Polair
- Низкотемпературные моноблоки Polair
- Среднетемпературные моноблоки Polair
- Холодильные камеры
- Низкотемпературные шкафы Polair
- Сплит-системы Polair Proffesionale
- Среднетемпературные сплит-системы Polair Proffesionale
- Компрессорно-конденсаторные агрегаты Polair
- Потолочные моноблоки Polair
- Холодильное оборудование СЕВЕР
- Холодильное оборудование MXM
- Холодильное оборудование ПОЛЮС
- Холодильное оборудование RIVACOLD
- Холодильное оборудование INTERCOLD
- Холодильное оборудование АРИАДА
- Холодильное оборудование DELTA
- Компрессоры
- Пищевое оборудование
- Автоматика ELKO
- Оборудование DANFOSS
- Оборудование ТЕПЛОМАШ
- Автоматика SIEMENS
-
Вентиляция SHUFT
- Автоматика SHUFT
-
Вентиляторы SHUFT
- Прямоугольные вентиляторы SHUFT RF VIM
- Круглые вентиляторы SHUFT CFk VIM
- Круглые вентиляторы SHUFT CFk MAX
- Круглые вентиляторы SHUFT CFs S
- Круглые вентиляторы SHUFT ICF VIM
- Круглые вентиляторы SHUFT TUBE XL
- Круглые вентиляторы SHUFT CFW
- Прямоугольные вентиляторы SHUFT IRFD VIM
- Осевые вентиляторы SHUFT AXW
- Рекуператоры SHUFT
- Водяные нагреватели SHUFT
- Автоматика АЛЬФА АСТРА
- Автоматика ELIWELL
- Вентиляция ВЕНТИЛЯТОР
-
Вентиляция VERTRO
- Регуляторы оборотов VERTRO
- Датчики и термостаты VERTRO
- Водяные нагреватели VERTRO
- Вентиляторы VERTRO
- Заслонки VERTRO
- Смесительные узлы VERTRO
- Рекуператоры VERTRO
- Блоки управления VERTRO
- Монтажные принадлежности VERTRO
- Фильтры VERTRO
- Электрические нагреватели VERTRO
- Охладители VERTRO
- Шумоглушители VERTRO
- Клапаны VERTRO
- Вентиляция DANTEX
- Светотехника
- Двигатели, рабочие колёса и корпуса для вентиляторов
-
Оборудование различного назначения
- Воздушные завесы КУПОЛ
- Теплообменники KLINGENBURG
- Оборудование ESBE
- Автоматика EMERSON
- Оборудование CAREL
- Оборудование STEGO
- Оборудование WATTS
- Технические и прочие жидкости
- Модули и контроллеры SEGNETICS
- Шаровые краны БРОЕН БАЛЛОМАКС
- Частотные преобразователи VEDA
- Монтаж вентиляции и отопления
- Элементы автоматики
- Оборудование LUFTBERG
- Предохранительные клапаны
- Оборудование UCP
- Вентиляторы различного назначения
- Датчики и термостаты RGP
- Оборудование DAB
- Насосы UNIPUMP
- Вентиляция VILMANN
-
Противопожарное оборудование
- Противопожарная автоматика
-
Оросители и аксессуары
- Спринклерные оросители VIKING горизонтальные
- Спринклерные оросители VIKING розеткой ввверх
- Спринклерные оросители VIKING розеткой вниз
- Спринклерные оросители VIKING ESFR складские
- Спринклерные оросители VIKING MIRAGE скрытые
- Спринклерные оросители TYCO складские
- Спринклерные оросители RAPIDROP стандартные
- Спринклерные оросители RAPIDROP специальные
- Спринклерные оросители RAPIDROP быстрые
- Спринклерные оросители СПЕЦАВТОМАТИКА
- Задвижки и затворы
- Противопожарные клапаны
Новости
2026-03-02 Блок входов и выходов SCHNEIDER TAC Xenta 421A
2025-11-22 Контроллер CAREL P+D000UE1DEF0/C.PCO MINI ENHANCED
2025-10-08 Сервопривод SIEMENS SQM50.444A8Z3
2025-02-14 Спринклерные оросители различного назначения
2024-04-23 Тех.документация на оборудование SHUFT
2024-04-17 Новинка! Регуляторы оборотов VILMANN STY
Архив новостейТехнологика Москва
Оборудование для малого и среднего бизнеса
Вся представленная информация, касающаяся стоимости оборудования носит информационный характер и ни при каких условиях не является публичной офертой.
Все права защищены
copyright © 2016-2026
Москва
Хлебозаводский пр-д, д.7А
2-й этаж, офис 56
8 (499) 398 28 55
8 (926) 876 57 38
